Коробка передач МАЗ 12JSDX240TA-G28848
| Тип коробки передач | Механическая 12-ступенчатая с двумя промежуточными валами |
| Максимальный входной крутящий момент, Н.м | 2400 |
| Передаточные числа | 1пер.-12,10; 2пер.-9,41; 3пер.-7,31; 4пер.-5,71; 5пер.-4,46; 6пер.-3,48; 7пер.-2,71; 8пер.-2,11; 9пер.-1,64; 10пер.-1,28; 11пер.-1,00; 12 пер.-0,78 |
| Вес, кг | 397 |
| Применяемость | Автомобили МАЗ |
Коробка передач 12JSDX240TA+QH70+QJZ20-G28848 производится на совместном Китайско-Белорусском предприятии Фаст Трансмишэн Европа, поставляется на сборочный конвейер Минского Автомобильного Завода.
КПП поставляется с коробкой отбора мощности QH70-BH1-004 и редуктором отбора мощности QJZ20
Гарантийный срок эксплуатации 12 месяцев.
Каталог запасных частей КПП 12JSDX240TA+QH70+QJZ20-G28848
Картер муфты сцепления КПП 12JSDX240TA+QH70+QJZ20-G28848

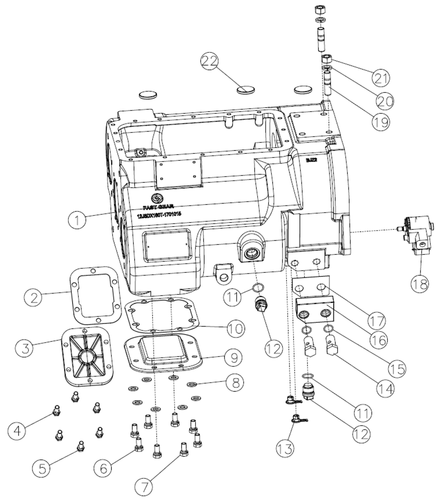
Картер КПП 12JSDX240TA+QH70+QJZ20-G28848

Вал вторичный КПП 12JSDX240TA+QH70+QJZ20-G28848

Левый промежуточный вал КПП 12JSDX240TA+QH70+QJZ20-G28848

Правый промежуточный вал КПП 12JSDX240TA+QH70+QJZ20-G28848

Отбойник промежуточного вала КПП 12JSDX240TA+QH70+QJZ20-G28848

| № | Каталожный номер | Наименование | Кол-во |
| 1 | 12JSDX240T-1701069 | Отбойник промежуточного вала | 2 |
| 2 | Q5280514 | Палец цилиндрический упругий | 2 |
Вал первичный КПП 12JSDX240TA+QH70+QJZ20-G28848

Вал промежуточный заднего хода 12JSDX240TA+QH70+QJZ20-G28848

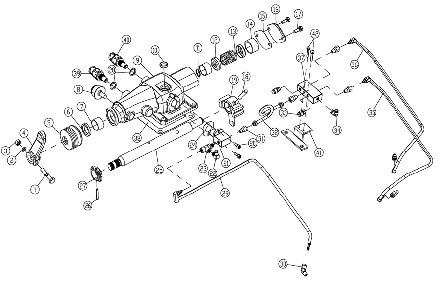
Механизм переключения передач 12JSDX240TA+QH70+QJZ20-G28848

Механизм управления переключением передач КПП 12JSDX240TA+QH70+QJZ20-G28848

Регулятор воздушного фильтра КПП 12JSDX240TA+QH70+QJZ20-G28848

| № | Каталожный номер | Наименование | Кол-во |
| 1 | A-4740-1 | Регулятор воздушного фильтра в сборе | 1 |
| 3 | 54015 | Заглушка | 1 |
| 4 | Q1420660 | Болт | 2 |
| 5 | Q618B01 | Заглушка | 2 |
Шестерня ведущая демультипликатора КПП 12JSDX240TA+QH70+QJZ20-G28848

Вал выходной демультипликатора КПП 12JSDX240TA+QH70+QJZ20-G28848

Валы промежуточные демультипликатора КПП 12JSDX240TA+QH70+QJZ20-G28848

Крышка задняя КПП 12JSDX240TA+QH70+QJZ20-G28848

Цилиндр воздушный переключения передач 12JSDX240TA+QH70+QJZ20-G28848

| Производитель | Shaanxi Fast Gear |
| Страна | Белоруссия |
| Применяемость | МАЗ |
Коробка передач МАЗ 12JSDX240TA-G28848 отзывы
Оставьте отзыв об этом товаре первым!






