Коробка передач МАЗ 12JSDX240TA+QH50+QJZ20-G24584

| Тип коробки передач | Механическая 12-ступенчатая с двумя промежуточными валами |
| Максимальный входной крутящий момент, Н.м | 2400 |
| Передаточные числа | 1пер.-12,10; 2пер.-9,41; 3пер.-7,31; 4пер.-5,71; 5пер.-4,46; 6пер.-3,48; 7пер.-2,71; 8пер.-2,11; 9пер.-1,64; 10пер.-1,28; 11пер.-1,00; 12 пер.-0,78 |
| Вес, кг | 397 |
| Применяемость | Автомобили МАЗ-650228, МАЗ-651628, МАЗ-651428 |
Коробка передач 12JSDX240TA+QH50+QJZ20-G24584 производится на совместном Китайско-Белорусском предприятии Фаст Трансмишэн Европа, поставляется на сборочный конвейер Минского Автомобильного Завода
Гарантийный срок эксплуатации 12 месяцев.
Каталог запасных частей коробки передач 12JSDX240TA+QH50+QJZ20-G24584
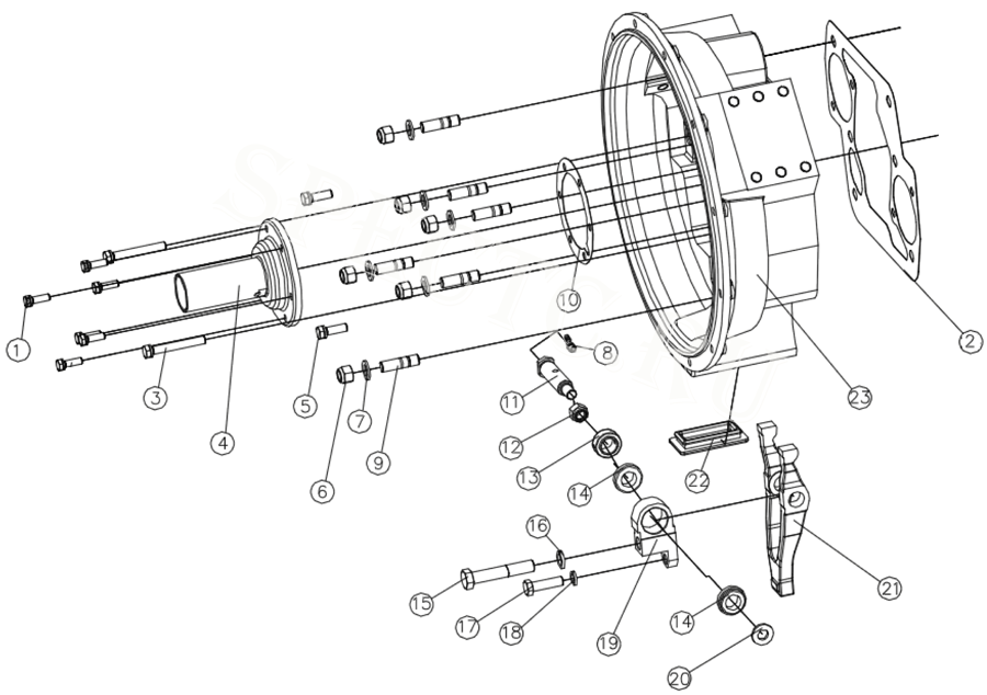
Картер муфты сцепления КПП 12JSDX240TA+QH50+QJZ20-G24584

Картер КПП 12JSDX240TA+QH50+QJZ20-G24584

Вал первичный КПП 12JSDX240TA+QH50+QJZ20-G24584

Вал вторичный КПП 12JSDX240TA+QH50+QJZ20-G24584

Левый промежуточный вал КПП 12JSDX240TA+QH50+QJZ20-G24584

Правый промежуточный вал КПП 12JSDX240TA+QH50+QJZ20-G24584

Отбойник промежуточного вала КПП 12JSDX240TA+QH50+QJZ20-G24584

| № | Каталожный номер | Наименование | Кол-во |
| 1 | 12JSDX240T-1701069 | Отбойник промежуточного вала | 2 |
| 2 | Q5280514 | Палец цилиндрический упругий | 2 |
Вал промежуточный заднего хода КПП 12JSDX240TA+QH50+QJZ20-G24584

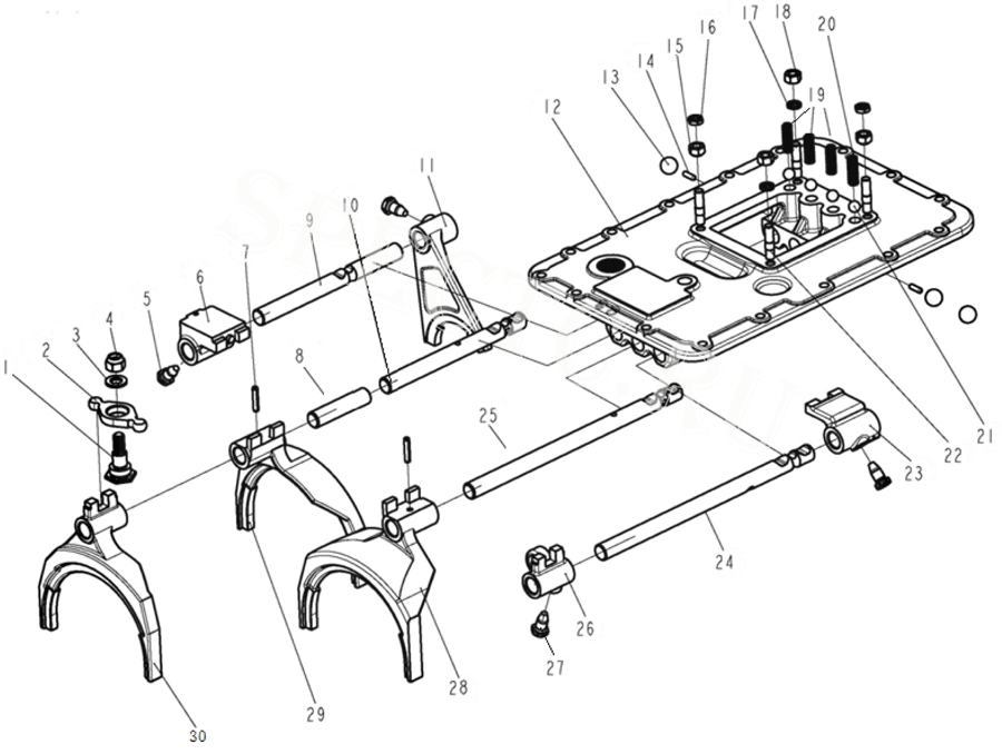
Механизм переключения передач КПП 12JSDX240TA+QH50+QJZ20-G24584

Механизм управления переключением передач КПП 12JSDX240TA+QH50+QJZ20-G24584

Регулятор воздушного фильтра КПП 12JSDX240TA+QH50+QJZ20-G24584

| № | Каталожный номер | Наименование | Кол-во |
| 1 | A-4740-1 | Регулятор воздушного фильтра в сборе | 1 |
| 3 | 54015 | Заглушка | 1 |
| 4 | Q1420660 | Болт | 2 |
| 5 | Q618B01 | Заглушка | 2 |
Шестерня ведущая демультипликатора КПП 12JSDX240TA+QH50+QJZ20-G24584

Вал выходной демультипликатора КПП 12JSDX240TA+QH50+QJZ20-G24584

Валы промежуточные демультипликатора КПП 12JSDX240TA+QH50+QJZ20-G24584

Крышка задняя КПП 12JSDX240TA+QH50+QJZ20-G24584

Цилиндр воздушный переключения передач КПП 12JSDX240TA+QH50+QJZ20-G24584

Коробка отбора мощности КПП 12JSDX240TA+QH50+QJZ20-G24584

Редуктор отбора мощности QJZ20 КПП 12JSDX240TA+QH50+QJZ20-G24584

| Производитель | ООО "Фаст Трансмишэн Европа" |
| Страна | Белоруссия |
| Применяемость | МАЗ |
Категории: Оригинальные запасные части для КПП производства Shaanxi Fast Gear, Fast-Eaton, Фаст Трансмишэн Европа Коробки передач Shaanxi Fast Gear и Фаст Трансмишэн Европа
Коробка передач МАЗ 12JSDX240TA+QH50+QJZ20-G24584 отзывы
Оставьте отзыв об этом товаре первым!






